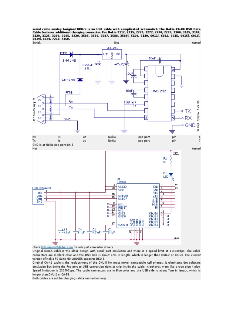
nokia dku 5 pinout

china usb data cable compatible for nokia dku 5 dku 2 ca 42 ca 53 china date cable price

china usb data cable compatible for nokia dku 5 dku 2 ca 42 ca 53 china date cable price

dd wrt forum view topic wrt610n bricked

dd wrt forum view topic wrt610n bricked

nokia pop port like dku 5 or ca 42 cable schematic pinout and wiring old pinouts ru

nokia pop port like dku 5 or ca 42 cable schematic pinout and wiring old pinouts ru

roman lut usb to rs232 tll optoisolated

roman lut usb to rs232 tll optoisolated

txapuzas electronicas

txapuzas electronicas

pinouts ru

pinouts ru

pl2303 dku 5 no funciona ayuda clan gsm union de los expertos en telefonia celular

pl2303 dku 5 no funciona ayuda clan gsm union de los expertos en telefonia celular

manualslib

manualslib

gsm cdma pda ipod blackberry

gsm cdma pda ipod blackberry

dku 5

dku 5

ideas

ideas

file cable dku 5 jpg samygo

file cable dku 5 jpg samygo

scribd

scribd

low cost 1 85 usb to rs232 lvttl serial cable the bit bang theory

low cost 1 85 usb to rs232 lvttl serial cable the bit bang theory

nokia datalogging cable dku 5 colours and pinouts for datalogging honda tech honda forum discussion

nokia datalogging cable dku 5 colours and pinouts for datalogging honda tech honda forum discussion

kabel data dku 5 muhammad zakky muhammad hanafi muhammad alfatih

kabel data dku 5 muhammad zakky muhammad hanafi muhammad alfatih

nokia dku 5 usb cable to data cable for sale online ebay

nokia dku 5 usb cable to data cable for sale online ebay

dku 5 cable modem driver

dku 5 cable modem driver

using nokia dku 5 cable to program picaxe working now general discussions robotshop community

using nokia dku 5 cable to program picaxe working now general discussions robotshop community

cell phone dku 5 usb data cable for nokia 6100 6101 6200 6220 6225 6610 6800 6820 72xx

cell phone dku 5 usb data cable for nokia 6100 6101 6200 6220 6225 6610 6800 6820 72xx

pin out of usb rs232 cables jurgen has things to show

pin out of usb rs232 cables jurgen has things to show

dku 5 cable windows 7 x64 driver

dku 5 cable windows 7 x64 driver

i need to know the serial pinouts rx tx and gnd official pyra and pandora site

i need to know the serial pinouts rx tx and gnd official pyra and pandora site

reprap

reprap

arduino forum

arduino forum

hifi remote

hifi remote

hifi remote

hifi remote

condor soaring

condor soaring

2

2

You May Like