7110 nokia joystick tuş ways

taobao com

taobao com

nokia 106 ta 1114 7 8 9 keypad solution track ways jumper solution solutions

nokia 106 ta 1114 7 8 9 keypad solution track ways jumper solution solutions

motechoice

motechoice

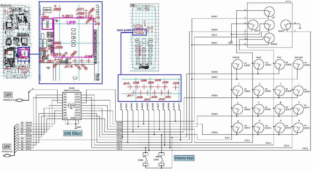
user manual manualzz

user manual manualzz

oneplus community

oneplus community

phone types 2018 07 21 130823 nokia technology engineering

phone types 2018 07 21 130823 nokia technology engineering

cell phone repair service menual diagrams images pictures mobile repair tip tricks

cell phone repair service menual diagrams images pictures mobile repair tip tricks

google sites

google sites

cell phones repair

cell phones repair

nokia 6600 keypad ways problem

nokia 6600 keypad ways problem

2021 joystick 人气热卖榜推荐 淘宝海外

2021 joystick 人气热卖榜推荐 淘宝海外

thumbsup plug play 200 in 1 retro tv games 8 bit tv

thumbsup plug play 200 in 1 retro tv games 8 bit tv

nokia 105 rm 1134 full keypad ways solution jumper

nokia 105 rm 1134 full keypad ways solution jumper

nokia ta 1174 105 keypad ways 789 not working solution 1000 1000

nokia ta 1174 105 keypad ways 789 not working solution 1000 1000

airliners net

airliners net

google sites

google sites

google sites

google sites

nokia 106 ta 1114 keypad jumper ways solution youtube

nokia 106 ta 1114 keypad jumper ways solution youtube

mobi zone

mobi zone

6600 keypad ways problem mobile repairing

6600 keypad ways problem mobile repairing

mobi zone

mobi zone

nokia 210 ta 1139 full keypad ways solution jumper ways all mobile software and hardware solution

nokia 210 ta 1139 full keypad ways solution jumper ways all mobile software and hardware solution

scribd

scribd

budaktungkal blogspot com

budaktungkal blogspot com

taobao com

taobao com

nokia 105 ta1174 keypad track ways jumper solution nokia 105 4 5 6 7 8 9 menu call keys problem

nokia 105 ta1174 keypad track ways jumper solution nokia 105 4 5 6 7 8 9 menu call keys problem

gfxbench

gfxbench

series 40 png images pngwing

series 40 png images pngwing

series 40 png images pngwing

series 40 png images pngwing

You May Like