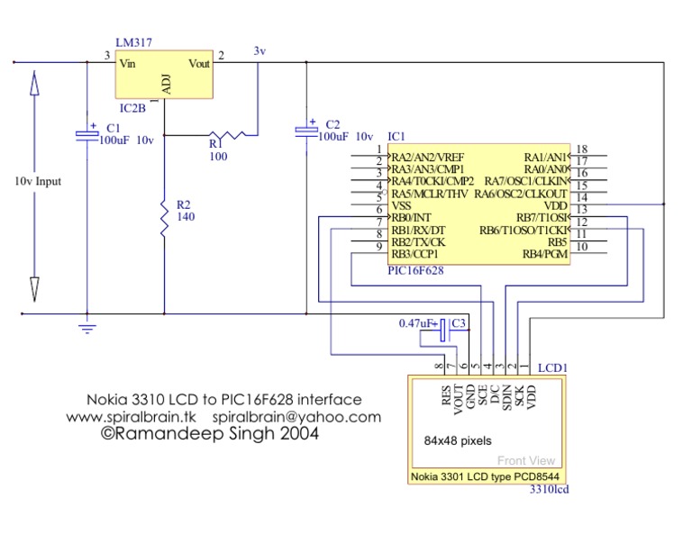
16f628 nokia lcd

menu on nokia 5110 lcd display with arduino electronics lab com

menu on nokia 5110 lcd display with arduino electronics lab com

youtube

youtube

color lcd 128x128 nokia knock off lcd 00569 sparkfun electronics

color lcd 128x128 nokia knock off lcd 00569 sparkfun electronics

lc meter based on pic16f628a microcontroller scheme and description

lc meter based on pic16f628a microcontroller scheme and description

pic nokia5110 graphical display interfacing with pic18f4550 pic

pic nokia5110 graphical display interfacing with pic18f4550 pic

advanced view pic microcontroller 1992 projects list pic microcontr

advanced view pic microcontroller 1992 projects list pic microcontr

avtanski net

avtanski net

chipkit tutorial 7 using nokia 5110 lcd

chipkit tutorial 7 using nokia 5110 lcd

www picbasic co uk

www picbasic co uk

arduino semifluid com

arduino semifluid com

pic microcrocontroller projects diy science and electronics projects

pic microcrocontroller projects diy science and electronics projects

google sites

google sites

slideshare

slideshare

控制bh1415 pll 使用的pic with lcd display 天使翼 的部落格 隨意窩xuite日誌

控制bh1415 pll 使用的pic with lcd display 天使翼 的部落格 隨意窩xuite日誌

100mhz frequency counter with pic16f628a lcd display electronics lab com

100mhz frequency counter with pic16f628a lcd display electronics lab com

google sites

google sites

scribd

scribd

youtube

youtube

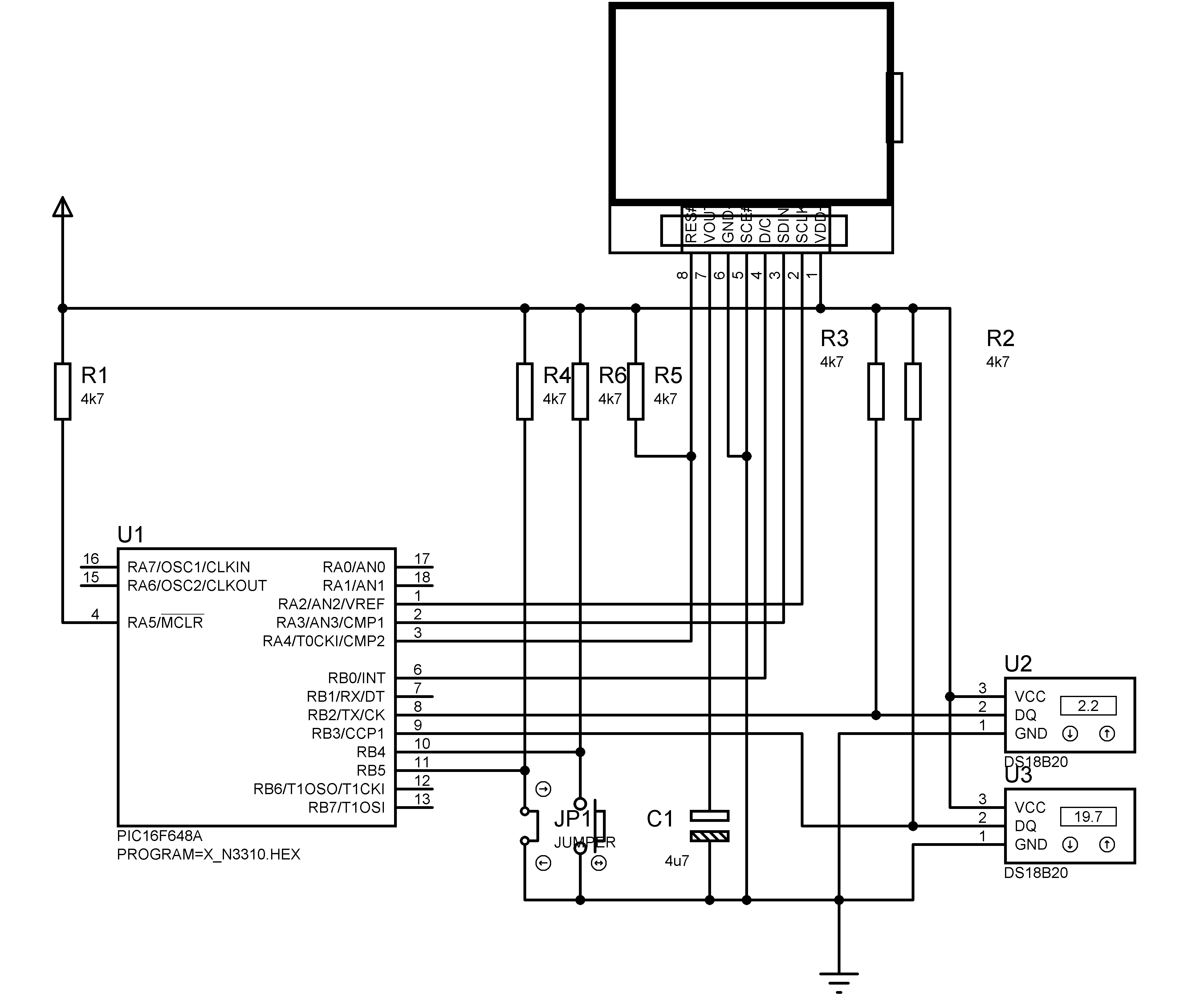
4 digit thermometer using ds18b20 and pic16f628a electronics lab com

4 digit thermometer using ds18b20 and pic16f628a electronics lab com

lcd projects pic microcontroller

lcd projects pic microcontroller

circuitdb

circuitdb

advanced view pic microcontroller projects list pic microcontroller microcontroller electronics

advanced view pic microcontroller projects list pic microcontroller microcontroller electronics

chipkit tutorial 7 using nokia 5110 lcd

chipkit tutorial 7 using nokia 5110 lcd

nokia 3310 lcd good deal on ebay electronics forum circuits projects and microcontrollers

nokia 3310 lcd good deal on ebay electronics forum circuits projects and microcontrollers

pic microcontroller projects pdf ebook by james87845 issuu

pic microcontroller projects pdf ebook by james87845 issuu

nokia 3315 3310 lcd interfacing with microcontroller

nokia 3315 3310 lcd interfacing with microcontroller

generatore dds con pic 16f628a youtube cute766

generatore dds con pic 16f628a youtube cute766

pic16f628 microcontroller circuit sensor ir

pic16f628 microcontroller circuit sensor ir

nokia 1100 lcd interfacing with microcontroller

nokia 1100 lcd interfacing with microcontroller

interfacing nokia 3510i lcd to pic16f84 embedds

interfacing nokia 3510i lcd to pic16f84 embedds

You May Like