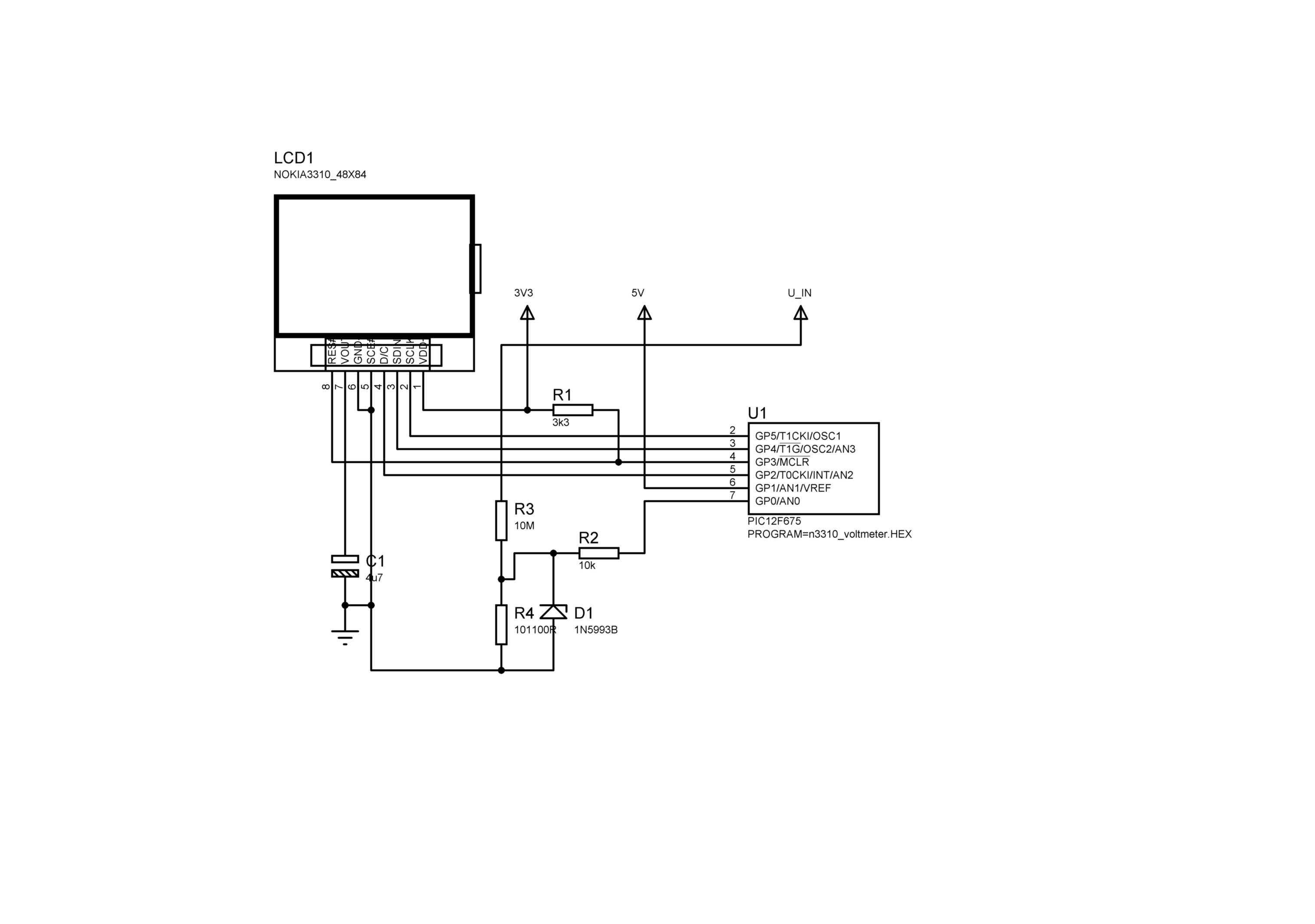
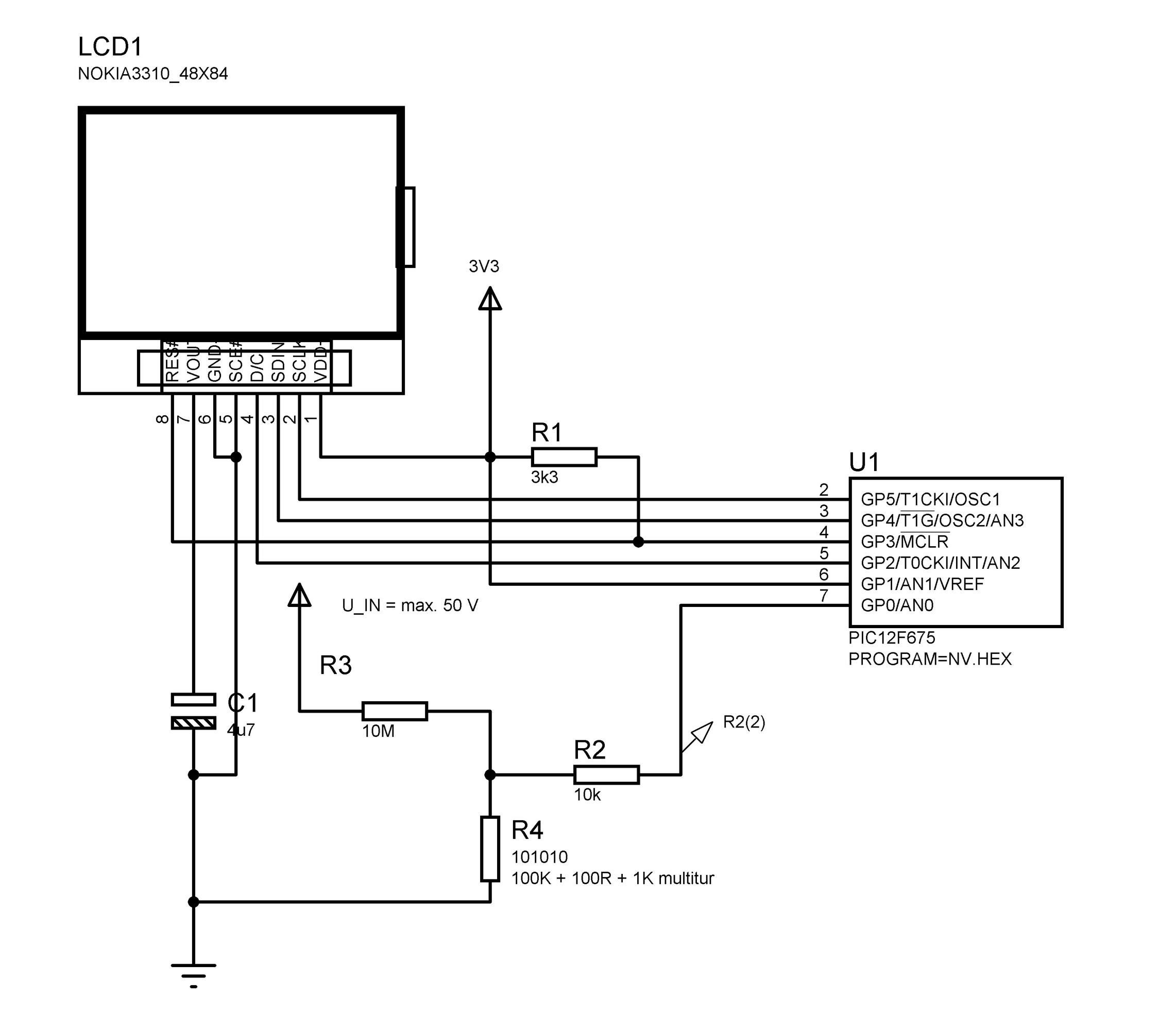
10000000 amper nokia 3310

ernuctech

ernuctech

premium source of projects tutorials code ebooks library for atmels atmega32 avr project list1649 by wisenaeem issuu

premium source of projects tutorials code ebooks library for atmels atmega32 avr project list1649 by wisenaeem issuu

gallery son and father nokia 3310 2017 vs nokia 3310 2000 nokiamob

gallery son and father nokia 3310 2017 vs nokia 3310 2000 nokiamob

videoman

videoman

midphones

midphones

nokia 5800 xpressmusic png images pngwing

nokia 5800 xpressmusic png images pngwing

midphones

midphones

google sites

google sites

vintage mobile vintage mobile official site old phone vintage phone refurbished phone

vintage mobile vintage mobile official site old phone vintage phone refurbished phone

yumpu

yumpu

how do i connect my smartwatch to my phone

how do i connect my smartwatch to my phone

advanced view atmega microcontroller projects list 1527 at mega32 avr by james87845 issuu

advanced view atmega microcontroller projects list 1527 at mega32 avr by james87845 issuu

charging nokia 3310 with one million volts facebook

charging nokia 3310 with one million volts facebook

charging nokia 3310 with one million volts a 10 core smartphone vs nokia who wins youtube

charging nokia 3310 with one million volts a 10 core smartphone vs nokia who wins youtube

https www wilsonsmedia com how to attract more than 10 million tiktok followers in 5 months

https www wilsonsmedia com how to attract more than 10 million tiktok followers in 5 months

销售1 26亿部 可砸核桃的手机诺基亚3310赏析 知乎

销售1 26亿部 可砸核桃的手机诺基亚3310赏析 知乎

nokia 6000 may 2021

nokia 6000 may 2021

advanced view of atmega microcontroller 1673 projects list nov 2019 atmega32 avr microcontroller analog to digital converter

advanced view of atmega microcontroller 1673 projects list nov 2019 atmega32 avr microcontroller analog to digital converter

charging nokia 3310 with one million volts a 10 core smartphone vs nokia who wins

charging nokia 3310 with one million volts a 10 core smartphone vs nokia who wins

google sites

google sites

official nokia is coming back to phone and tablet business midphones

official nokia is coming back to phone and tablet business midphones

nokia 3310 create meme meme arsenal com

nokia 3310 create meme meme arsenal com

vdhnete zhivot na zaklyucheniya km operator i google smartfon

vdhnete zhivot na zaklyucheniya km operator i google smartfon

nokia 3310 vs nokia 3310 2017 techweez

nokia 3310 vs nokia 3310 2017 techweez

semi annual report accounts for singapore cpf investors

semi annual report accounts for singapore cpf investors

charging nokia 3310 with one million volts a 10 core smartphone vs nokia who wins youtube

charging nokia 3310 with one million volts a 10 core smartphone vs nokia who wins youtube

nokia 301 specs midphones

nokia 301 specs midphones

calameo vr zone tech news for geeks

calameo vr zone tech news for geeks

You May Like